
廂式、板框式草莓TV官方入口是懸浮液固、液兩相分離的理想設備。該係列草莓TV官方入口為板框式手動或千斤頂壓緊機型。濾板尺寸315mm×280mm 至650mm×650mm,壓緊方式:S 為手動螺杆型。J 為手動千斤頂型。機器結構簡便,操作易行。該係列草莓TV官方入口機型較小,壓緊、卸料均為手動操作.草莓TV官方入口有明流,暗流之分,它們各自又有濾餅的可洗式和不可洗式。該係列草莓TV官方入口主要規格有:BAMSJ0.4~3/ 315-UBK-Ⅰ;
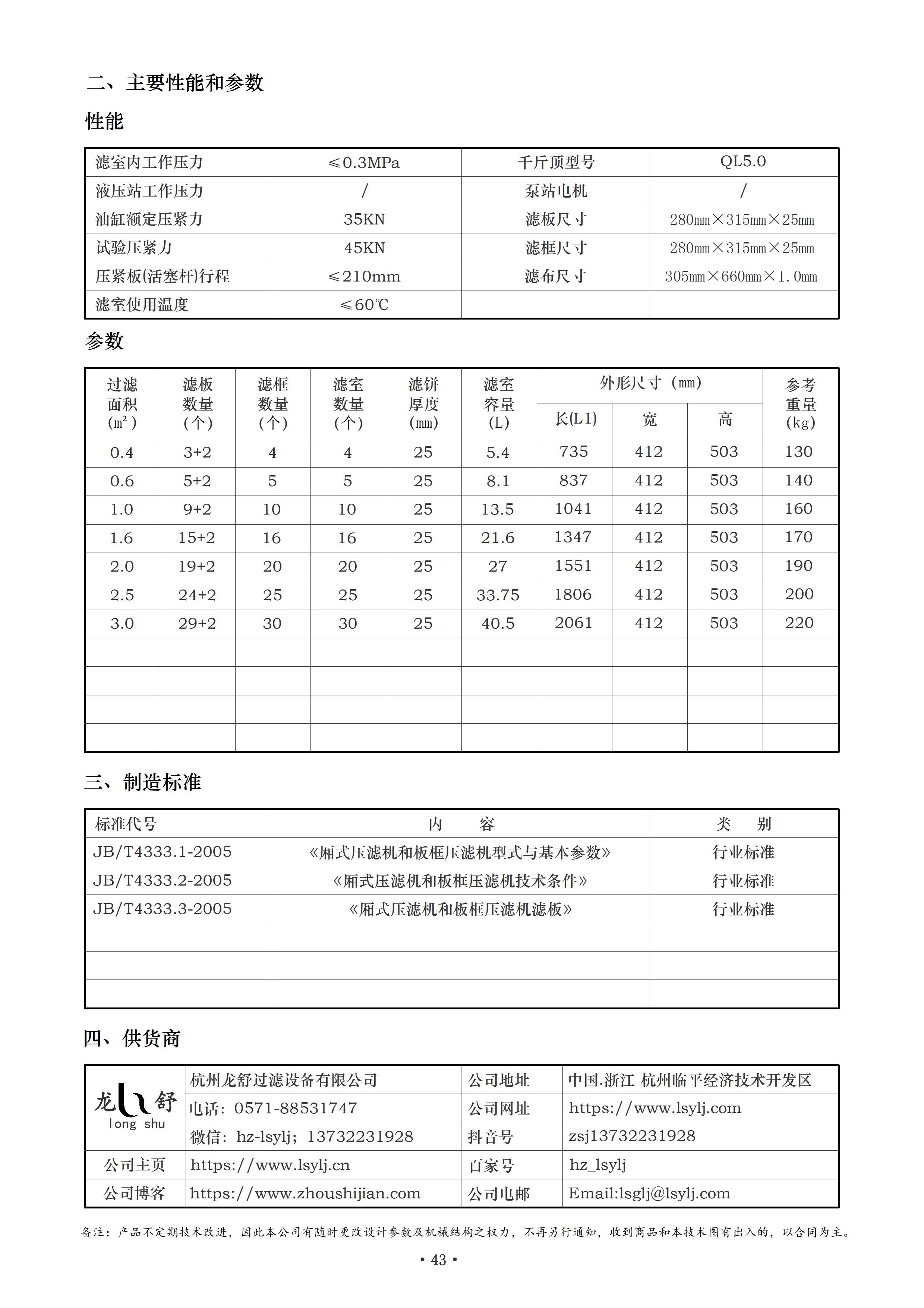
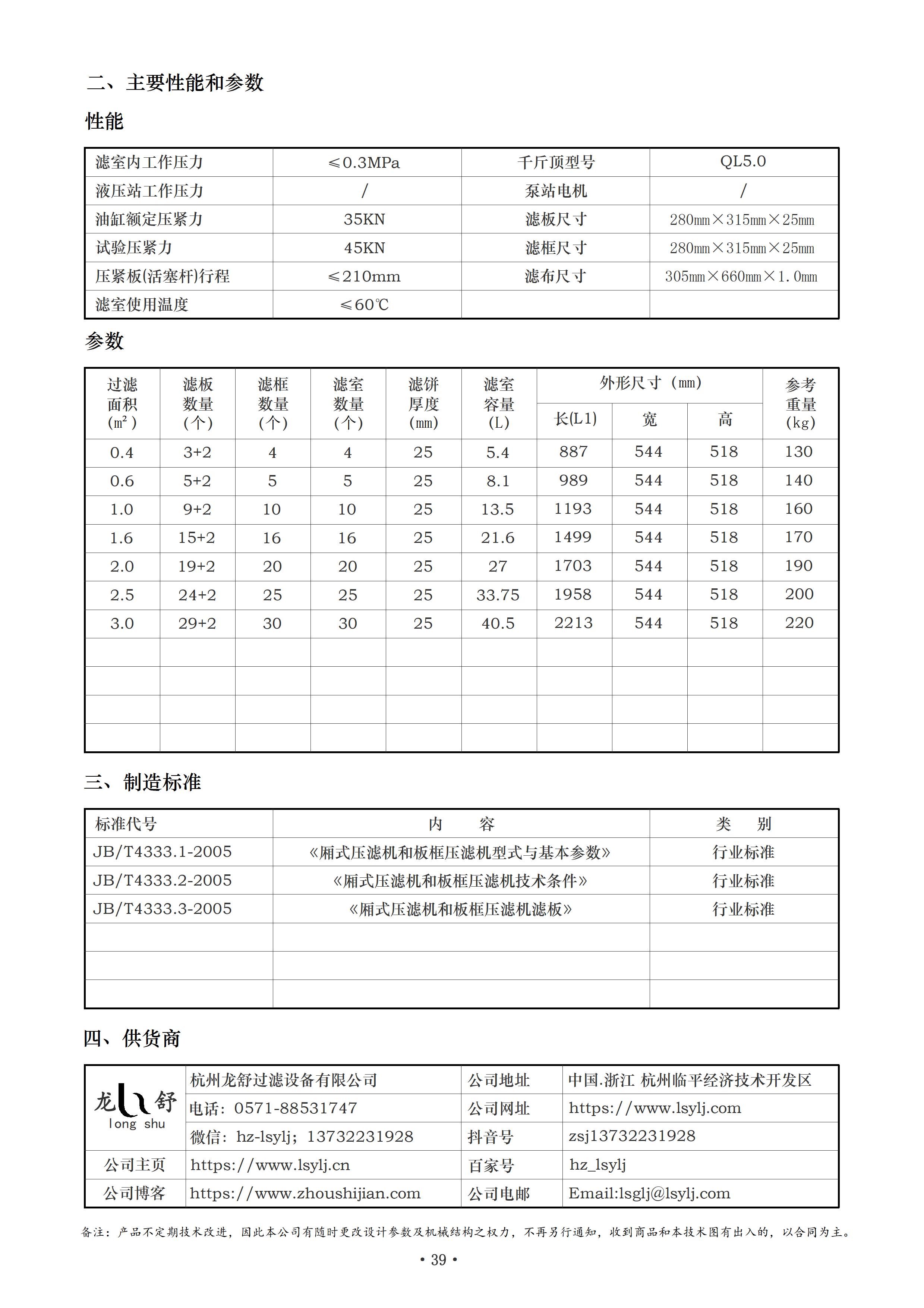
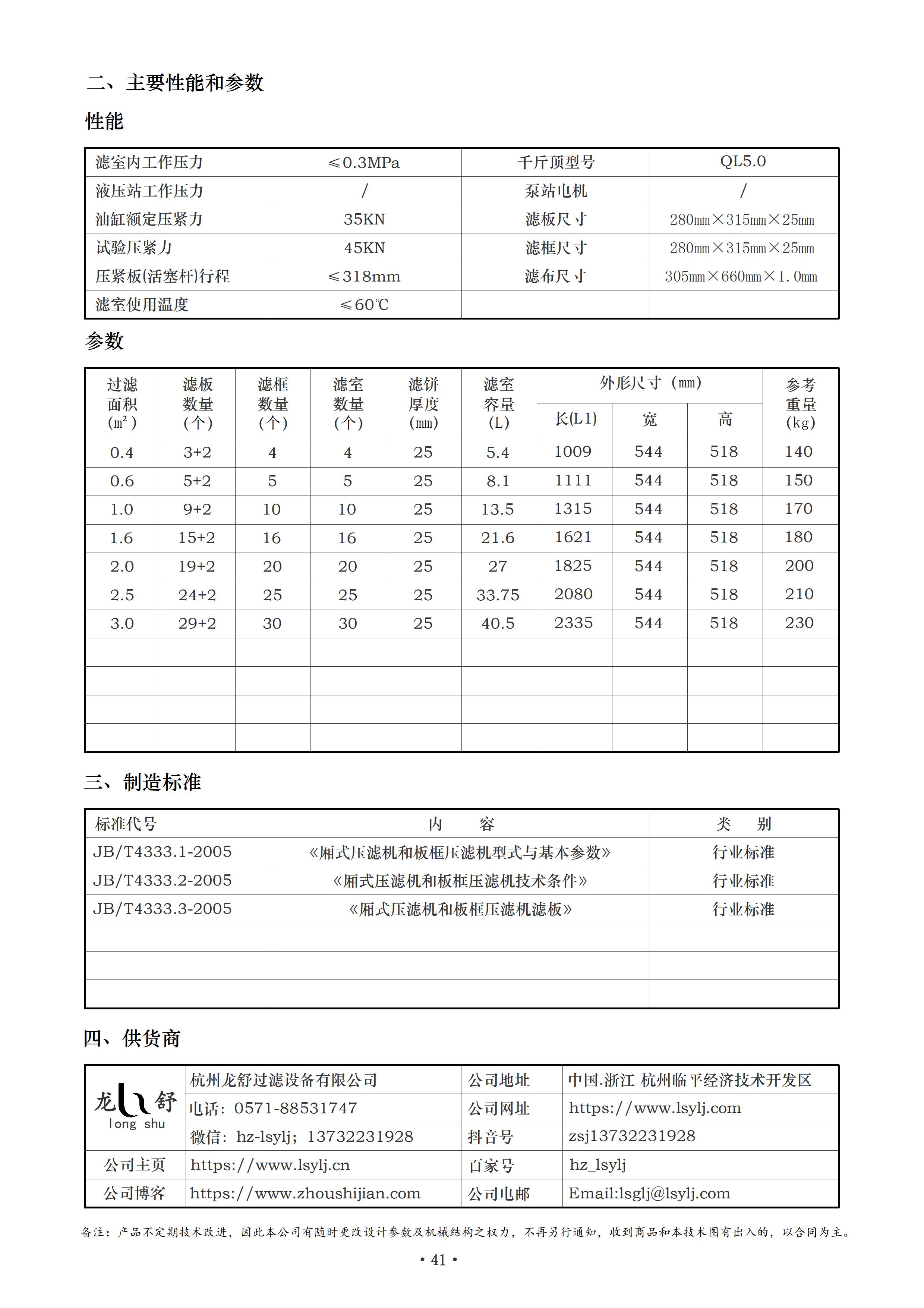
技術性能
過濾壓力 | ≤0.6 MPa |
壓緊力 | ≤33 KN |
壓緊板行程 | ≤210 mm |
使用溫度 | ≤100℃ |
主要技術參數
過濾麵積 m2 | 濾板數量 (塊) | 濾室 數量 (個) | 濾餅 厚度 mm | 濾室 容積 L | 外形尺寸 mm | 機器 質量 t | 進料 管孔 直徑 mm | 洗滌 出液 管孔 直徑 | |||
濾框 | 濾板 | 長 | 寬 | 高 | |||||||
0.6 | 6 | 5 | 6 | 25 | 8 | 1003 | 564 | 492 | 0.17 | 25 | 25 |
1.0 | 10 | 9 | 10 | 13 | 1207 | 0.19 | |||||
1.6 | 16 | 15 | 16 | 21 | 1513 | 0.22 | |||||
2 | 20 | 19 | 20 | 26 | 1717 | 0.24 | |||||
2.5 | 25 | 24 | 25 | 33 | 1972 | 0.26 | |||||
3 | 30 | 29 | 30 | 39 | 2227 | 0.29 | |||||
基礎尺寸
過濾麵積(m2) | 尺寸L1(mm) | 過濾麵積(m2)m2 | 尺寸L1(mm) |
0.6 | 731 | 2.0 | |
1.0 | 935 | 2.5 | 1700 |
1.6 | 1241 | 3.0 | 1955 |
BSJ0.4~3/ 315-UBK係列小型板框草莓TV官方入口是一種常用於固液分離的設備,有如下特點:
板框結構:由濾板和濾框交替排列組成過濾室。濾板尺寸為315mm×280mm,這種規格適合處理小批量物料,比較適合實驗室研究或中小型企業的生產需求。
壓緊方式:屬於手動壓緊機型,“J”代表手動千斤頂型,通過手動操作千斤頂實現濾板的壓緊,結構簡便,不過壓緊和卸料都需要人工操作,自動化程度相對較低。
過濾壓力:≤0.6MPa,在這個壓力範圍內,能夠有效實現固液分離,保證過濾效果。
壓緊力:33KN,提供足夠的壓力使濾板緊密貼合,防止物料泄漏,確保過濾過程的順利進行。
壓緊板行程:210mm,該行程設計能滿足一定厚度濾餅的形成和排出。
使用溫度:60℃,說明該草莓TV官方入口能夠在較高溫度環境下工作,但一般適用於不超過60℃的物料過濾。


過濾原理:濾板與濾框交替排列,濾框之間形成過濾室。物料進入後,通過濾板上的孔洞流入濾室,固體顆粒被截留在濾框上,而液體則透過濾板流出。加壓後,固體被壓縮並排出,實現固液分離。
操作流程:首先,將待過濾物料倒入草莓TV官方入口中;接著,通過手動千斤頂將板框壓緊,實現固液分離;然後,開啟濾液排放閥門,將濾液排出;最後,鬆開板框,清理濾餅,重複上述步驟進行下一輪過濾。
應用領域:廣泛應用於化工、食品、製藥、環保等行業。在化工行業可用於處理各類懸浮液;食品行業可用於果汁、乳品等產品加工;製藥行業可用於提取、純化藥物成分;環保行業可用於處理工業廢水、汙泥等。
設備優點:結構簡單,操作易行,對於一些小型企業或實驗室來說,不需要複雜的操作技能和專業人員即可進行操作。同時,它能夠實現較高的過濾精度,特殊設計的濾布可截留粒徑小於1μm的粒子,使濾液清澈,固體回收率高,能滿足不同用戶對固液分離效果的要求。
設備缺點:屬於間歇操作設備,基建設備投資較大,過濾能力相對較低,處理大批量物料時效率可能不如一些大型自動化壓濾設備。






聲明一下:本網站上展示的產品僅用於工業上的汙水固、液分離,由於產品的專業性和專用性,每件商品的具體性能和使用方法均不盡相同,頁麵上的描述僅供參考,並不適用於每個具體商品,您在決定購買之前,務必事前(老板電話13732231928)溝通。謝謝您的理解和支持!(本站僅用於產品展示,不接受線上交易)

